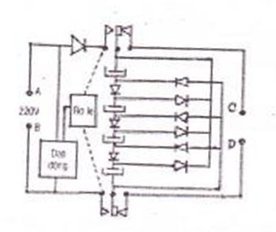
Đây là những biến áp hạ điện dung để nạp điện cho ắc quy đã thiết kế, nó rất gọn và trọng lượng nhẹ vì không có dây đồng và lõi sắt, nó dựa trên đề tài "dùng diod cô lập các nguồn năng lượng". Ở hình 1 nó được hạ xuống 4 lần (có thể hạ áp nhiều lần, lúc đó chỉ cần tăng tụ và các diod cô lập). Điều lý thú là khi điện nhà nạp điện vào tụ thì nó đấu nối tiếp, nhưng khi từ tụ nạp điện ra cho các ắc quy ở đầu CD thì nó lại đấu song song nên hạ được áp và tăng cường độ dòng điện. Đặc biệt, dựa vào các tiếp điểm thường đóng hay thường mở của khởi động từ hay rơle mà phần thứ cấp hạ thế luôn luôn cách ly với điện nhà cao áp nên rất an toàn.
Hình 1

Ở hình 2 là biến thế hạ áp 200v-110v có cách ly sơ và thứ, ở đây có vẽ đủ mạch dao động đa hài mà ở hình 1 là sơ đồ khối để bạn lắp ráp.
Hình 2

Ghi chú:
1/ Do dùng chuyển mạch cơ khí nên tần số của mạch dao động không thể cao nên ta phải tăng điện dung các tụ để tăng được công suất, việc nạp các ắc quy hay vận hành các dụng cụ gia nhiệt là có thể chấp nhận được kiểu dụng cụ này. Còn nếu ta dùng những huyển mạch cao áp bán dẫn thì tất nhiên sẽ khắc phục được nhược điểm đó.
2/ Cần chú ý rằng, hằng số thời gian của tụ điện t=CR cho phép tụ nạp tới 63% nguồn điện, còn khi muốn nạp đầy 100% thì lại phải gấp thêm 4 lần thời gian ấy nữa. Cho nên khi hạ áp ta lấy thời gian đóng mở rơle bằng hằng số này để bớt được số lượng tụ dùng để hạ áp.
3/ Lưu ý rằng biến áp loại mới này đầu thứ cấp ra là một chiều. Để dùng được đại trà như biến áp thông thường ta phải có mạch điện tử biến điện một chiều ra tần số 50Hz, mạch được ráp như hình 3. Lấy đầu ra xoay chiều ở hai điểm E & F, lúc đó tuy sóng ra không phải hình sin nhưng tôi thấy các dụng cụ điện bình thường đều dùng được (đây là nguồn điện 12v, tuy nhiên với điện áp cao ta phải dùng transistor cao áp).
Hình 3

Chọn linh kiện:
Các diod dùng loại 5A trở lên. Tụ dùng 470microfara trở lên, càng lớn công suất biến áp càng cao. Riêng tụ ở biến áp hạ 110v thì phải chịu đựng được 200v, rơle loại 8 chân, 12v (có 2 cụm tiếp điểm cách ly). Nếu dùng khởi động từ thì cho mạch đa hài điều khiển SCR để đòng mở cuộn dây của nó vốn dùng điện 220v, còn các linh kiện khác có ghi trong hình.
Sưu tầm




