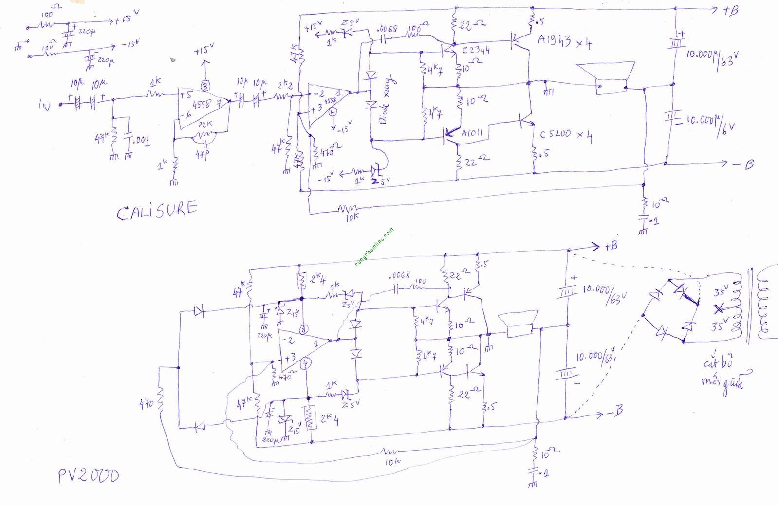
Bo công suất kiểu QSC (PV2000, calishure) dùng kỹ thuật nguồn đơn đã rất phỗ biến mấy năm gần đây. Các ampli CS mạnh vài ngàn Watt đều dùng mạch nầy. Vì sao ? Vì không có nguồn DC chạy qua loa như các mạch khác.Lắp ráp dễ dàng , dễ sửa chữa, xài bền, CS ra từ nhỏ vài chục Watt đến vài ngàn Watt , nguồn cấp từ nhỏ đến lớn , tức từ 60vdc đến 180vdc (không có mối giữa) mà hình như không cần thay đổi gì nhiều trên mạch. Các mạch CS khác khi tăng volt nguồn lên là muốn hư !!
Bên dưới là hình bo mạch PV2000 thu nhỏ:


Còn bên dưới là hình bo mạch Calishure:

Hai bo nầy chỉ khác nhau về cách cấp nguồn + - 15v cho opamp. Calisure thì xài nguồn rời thêm vào, còn Peavey2000 thì tự cấp. Các bạn xem sơ đồ của hai mạch bên dưới.

Linh kiện trên bo đã được tối ưu hóa để có thể dùng nguồn từ thấp đến cao , CS ra từ vài chục Watt đến vài ngàn Watt.
Khi muốn CS ra vài ngàn Watt thì phải giải nhiệt cặp thúc cho dữ. Khi cấp volt nguồn cao thì rờ tay vào các con trở ( nhất là trở 2k4) xem coi có nóng cháy tay hay không? Chấp nhận nóng !! Miễn không "cháy đen" là được ! Nhờ có quạt nên cũng không đến nỗi lắm.
Tùy theo CS mà xài nhiều hay ít sò ! Ít là 2 con 5200+1943 , còn nhiều là 64 con !!
Các bạn có thể dùng nguồn đang có trong cái ampli mà test thử , chỉ cần cắt bỏ dây cục transfo mối giữa. Mối giữa của hai con tụ hóa thì không cho dính vào masse của dàn pre, nó chỉ là ra loa dây đỏ và nối vào bo ( có chữ loa). Còn dây loa đen thì nối vào masse trên bo . Có thể hiểu nôm na là ...thay vì mối giữa của hai tụ nối xuống masse thì...mối giữa nầy sẽ vào dây loa đỏ và dây đen nối xuống masse ( nối masse qua cuộn dây loa)
CÁCH LẮP RÁP BO PEAVEY 2000:
-- Đặt quấn cục transfo 220 ra 100v x2 , muốn mạnh thì bảo họ quấn cục biến thế bự có CS 2000W ở cuộn 100v x2 ( quấn ra 2 cuộn riêng). Còn không thôi thì mua 2 cục biến thế , mỗi cục là 220 ra 100v ( 1000W).
-- Nếu cải tạo máy ở nhà có sẵn thì gở cục transfo ra , nhờ thợ tháo bỏ cuộn 35 x2 ra , giữ lại cuộn 220 , và quấn lại 2 cuộn 100v ( dây quấn sẽ nhỏ hơn ). Nhớ quấn thêm cuộn 20v x2 dây nhỏ để làm nguồn cho dàn pre .
-- Mỗi cuộn 100 v thì nắn diode cầu 15A , cho ra hai mối cộng trừ ( ở 2 cực diode). Làm 2 mạch thì mua 2 diode cầu.
-- Mua 2 tụ 2.200 / 400v đấu nối tiếp lại cho ra mối giữa ( y như trong ampli cũ , chỉ có điều là cục transfo không có mối giữa). Làm hai mạch thì mua 4 tụ.
-- Hai đầu cộng trừ của diode cầu ...sẽ hàn vào hai đầu cộng trừ của 2 con tụ nối tiếp. Ta sẽ có 3 dây là dây +B , dây mối giữa , và dây - B . Hai mạch thì làm hai bộ ở 2 cuộn dây 100v riêng biệt.
-- 2 miếng nhôm bự , mỗi miếng nhôm thì bắt 4 sò 5200 , 4 sò 1943 . Lót sò không cho chạm vào miếng nhôm.
-- 8 chân C sò thì hàn một cộng dây dính chung . nó sẽ hàn vào điểm masse ngay giữa trên bo.
-- 8 chân E sò thì hàn 8 con trở 0.5 ohm /5W.
-- 4 chân trở phía dưới của sò 5200 thì hàn dính chung một dây , gọi là E. 4 chân trở của sò 1943 cũng hàn dính chung một dây , gọi là E .
-- 4 chân B sò 5200 thì hàn dính chung một dây , gọi là B . 4 chân B sò 1943 thì hàn dính chung một dây ,gọi là B.
Tóm lại , ta có tất cả là 5 dây. 5 dây nầy sẽ hàn vào 5 điểm trên bo.
LƯU Ý:
-- Con điện trở 470 ohm nối với 2 con diode (4007) , các bạn đổi lại thành con 680 ohm/ 5W , nếu thiết kế CS vài ngàn Watt , nguồn tứ 100vac đến 130 vac. Còn chỉ xài volt nguồn 60 đến 80 ( tức tương đương 30vacx2 đến 40vacx2) thì xài con 680/2W.
-- Con trở 2k4 (hoặc 2k7) loại 7W , nếu xài CS cao ( tức nguồn cao) thì tăng lớn lên 3k3 , 3k9 /7W ( hay 10W) . Đại khái , hát một hồi rồi "rờ" xem có nóng quá không ? Nó là con trở cung cấp nguồn +- 15v cho 4558 , kèm hai con ổn áp zene 15v song song.
-- Mạch CS nầy không thể dùng 2 mạch cùng với 1 transfo . Vì xài chung sẽ bị "nhiễm" hù hì ... Phải xài 2 cục transfo riêng hoặc nhờ thợ quấn 1 cục trasfo , bên thứ cấp cho ra 2 nguồn AC riêng ( ví dụ 80 x2) , và mỗi mạch xài một nguồn. Bởi vì sao ? Vì "masse" của loại mạch nầy ...hơi kỳ kỳ ! Nên xài 2 mạch một lượt thì ...masse sẽ bị nhiễm !
-- Ngay ngõ vào opamp đầu tiên , chân 6 và 7, là hai con trở 22k và 1 k là trên hình vẽ . Còn trên mạch đang bán là 22k và 10k. Các bạn tùy ý mà gia giảm , muốn dùng 10k , 8k , 6k8 , 4k7, 3k3, 2k2 hay 1k ...là tùy ý. Cứ xài lớn ( tức 10k) nếu thấy CS ra loa đủ sức ( cũng tức là dàn pre có volt ra cao). Độ Gain nhỏ ( xài 10k là khuếch đại 2 lần) thì mạch ổn định hơn. Tuy nhiên , ta khoái hát lớn , nếu 10k mà nghe nhỏ thì giảm xuống ...
-- Cục Transfo thì quấn 2 cuộn thứ cấp 80 x2 ( cho Calisure) , 100 x2 ( cho PV2000) để xài stereo
-- Ráp vài ngàn W stereo thì xài 2 cục transfo riêng. Cách ly các con sò ( tức lót miếng cal sò ) , không cho masse xuống sườn. Masse xuống sườn sẽ là masse của dàn pre đưa qua . Có nghĩa là ...khi gở dàn pre ra thì đo vỏ máy không có dính masse. Đây là nói ta ráp Main riêng . Còn ráp karaoke chung trong một vỏ máy thì sò cứ xiết vào miếng nhôm , không cal sò gì cả ( cho đỡ tốn công) . Vỏ sò sẽ là masse sườn luôn.






