Thông thường, ta thấy điện trở hồi tiếp âm đi từ loa về ngõ - của opamp (tức ngỏ đảo). Nhưng thật ra, hồi tiếp âm cũng có thể đi về ngỏ + (tức không đảo). Tóm lại, tùy theo "pha" âm hay dương của loa mà lúc trở về sẽ nối vào + hay - của opamp.
Hình bên dưới là ngõ đảo:

Hình bên dưới là ngõ không đảo:

Nguyên tắc của opamp là:
-- Tín hiệu vào đầu - (đầu đảo) sẽ đảo pha. Nói theo điện áp thì, áp vào cao sẽ thành ra thấp. Hoặc áp vào thấp sẽ thành ra cao ở ngõ ra opamp.
-- Tín hiệu vào đầu + (đầu không đảo) sẽ giữ nguyên. Nói theo điện áp vào thì, áp vào cao ra cao, áp vào thấp ra thấp.
-- Tín hiệu từ mixer vào đầu trừ thì tín hiệu hồi tiếp từ loa sẽ vào đầu cộng (hình dưới).
-- Hoặc tín hiệu từ mixer vào đầu cộng thì tín hiệu từ loa sẽ vào đầu trừ (hình trên).
Tuy nhiên, búa xua, muốn vào đâu cũng được. Tức là mixer vào đầu cộng, hồi tiếp cũng vào cộng luôn, đều OK!! Miễn tình toán đúng pha để "hồi tiếp" là được. Chỉ sợ rủi hồi tiếp âm ... thành hồi tiếp dương, hú bà chạy!
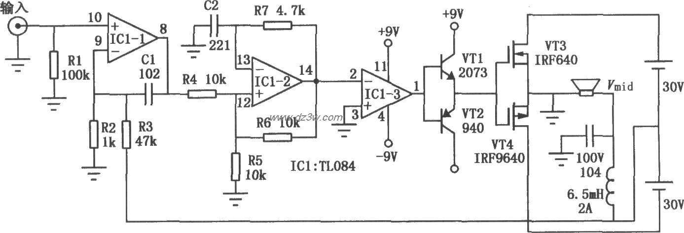
Mạch Peavey 2000 là điển hình về cái vụ hồi tiếp âm đưa về đầu "không đảo". Chúng ta biết, opamp phải có con trở từ OUT về đầu đảo (pin2, pin 6). Nếu không có con trở nầy thì hệ số khuếch đại rất lớn, IC mau chóng bị bão hòa (không chạy nữa). Nhưng kiểu ráp Peavey2000 sẽ có một con trở từ loa hồi tiếp về đầu không đảo (pin 3, pin 5).
Hình trên cũng là na ná giống Peavey2000, ra loa bằng tụ. Các bạn có thể lắp ráp mà thí nghiệm.
Hình dưới chỉ cho ta cách ráp Mofet ở tầng CS. VT1 và VT3 chỉ là "điện trở". Zene 7,5v là bảo vệ cực cỗng (gate).
Lưu ý, Mofet cũng y như transistor, khi có áp vào cực cỗng thì nó "dẫn thông", vì vậy, nó cũng có đảo pha (khi ráp Source chung, tức tương đương E chung của BJT).
Còn Fet (ví dụ K30) thì khác nhé! Lúc nào nó cũng "dẫn". Khi có tín hiệu vào thì nó "dẫn" thay đổi.




