Trong một cái Mixer nhập, chúng ta thấy có nhiều danh từ như Left/Mono - Right, FX Send, Monitor v.v... Bài viết này sẽ giúp các bạn hiểu sơ bộ về chúng.
-- Left/Mono - Right là hai ngõ vào IN strereo. Ta kết nối bằng hai dây rack bình thường, âm thanh ra là stereo. Nhưng nếu chỉ có một rack thì ta phải ghim vào một ngõ Left/Mono. Từ ngõ nầy, tự nó có một đường liên lạc qua ngõ Right. Như vậy, ta sẽ nghe "mono" nhưng nghe được 2 bên loa. Còn nếu ghim vào ngõ Right thì ta chỉ nghe được có một bên loa. Cái hay của mạch nầy là dù chơi stereo hay chơi mono cũng đều ra hai loa. Chúng ta có thể ráp hai con rack 6 ly của cái Power CS theo kiểu nầy để tùy nghi sử dụng. Ghim hai bên thì ra stereo, còn ghim một bên (Left/Mono) thì vẫn ra hai loa.
-- FX Send là ngõ gửi tín hiệu micro ra chỗ nầy để ta kết nối vào hộp echo bên ngoài. Rồi từ hộp echo bên ngoài có 2 ngõ OUT L,R ta sẽ kết nối trở lại Mixer bằng 2 dây Return, hoặc đưa vào Line in L,R của một channel nào đó. Khi đưa vào Line In thì ta có thể điều chỉnh Bass/Treble thêm.
-- Monitor là lấy tín hiệu của channel đó đưa ra bên ngoài để ta có thể ghim vào một ampli khác và khuếch đại thêm lên. Ví dụ, lấy ngõ monitor cùa channel micro 1 đưa vô một ampli để khuếch đại tiếng ca cho ra riêng hai loa. Các ngõ organ, guitar, bass... ta vặn monitorcủa mấy channel đó thấp xuống, không cho ra.
Nếu là stereo thì L,R của channel đó được trộn lại bằng 2 con trở rồi mới đưa vào tầng FX Send, Monitor... Cũng có khi Monitor là srereo luôn (máy cao cấp).
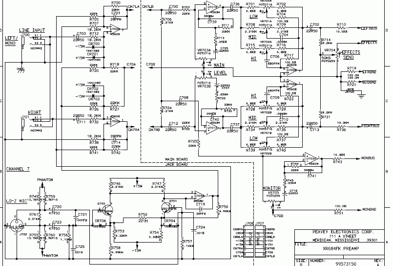
Các bạn tham khảo mạch điện sau đây để có cái nhìn bao quát vế những vấn đề trên.

Mạch nầy là Channel 7 của Mixer Peavey 684 . Khi xài micro thì là Mono được trộn vào hai tầng opamp bằng 2 con 22k. Còn khi xài Line In thì có thể xài stereo hoặc Mono.
Các volume (Level) chỉnh lớn nhỏ ráp theo kiểu hồi tiếp (pin 2 và 3 hoặc 6 và 7 của opamp) chứ không phải volume theo kiểu thông thường từ ngõ ra. Cái đặc điểm của volume kiểu hồi tiếp là có ảnh hưởng đến tần số.
Ngay chỗ Effect Out, ta thấy tín hiệu ra là lấy ở trên một chấu volume chứ không phải lấy ngay chấu giữa như kiểu thông thường. Lấy ngay chấu giữa thì phải có một con điện trở. Còn lấy ở chấu trên thì khỏi xài điện trở. Cứ nối lại hết mấy chấu của volume Effect Out rồi cho ra. Kiểu xài chấu trên của volume có cái bất lợi là nếu kênh đó bị "rò rì", ta vặn volume xuống vẫn không hết "lụp bụp". Tuy nhiên, Peavey xài linh kiện xịn ít có vụ opamp rò rỉ.
Các bạn ráp ampli xài cho gia đình, nên chạy ra chỗ bán đồ cũ, kiếm mua mấy cái mạch máy nhập có opamp trên đó. Gỡ ra ráp vào ampli nhà. Còn ráp cho khách thì mua đồ mới để có mà sửa sau nầy. Hừm, nội mấy con diode 4007 mua mới, ráp xài một thời gian bị "rò". Bó tay!!! Gỡ mấy con diode trong TV, ampli cũ, Monitor... là OK.




